Ford Capri MKIII Versenygép

A forum látogatói álltal épített verdák...

Moderators: SONI, Pudva, Bogyo28

User avatar
daytona
egyedülisszerelhet
Posts: 798
Joined: Mon Jan 26, 2009 5:45 pm
ClassicFord klubtag?: Igen
Location: Zseliz, SK - Budapest III.ker
Contact:

Re: Ford Capri MKIII Versenygép

Post by daytona »

Aaaaaaaaa..... :metla:
Ford Taunus Knudsen 1975
Ford Sierra XR4i 1983
Fiat 125P 1977
Volvo V70 1998
Renault Clio 1.2 8v 2004
Honda CB500T 1976
Natalie Driver Gabe

Re: Ford Capri MKIII Versenygép

Post by Natalie Driver Gabe »

na urak !
Lehet mazsolázni.
Attachments
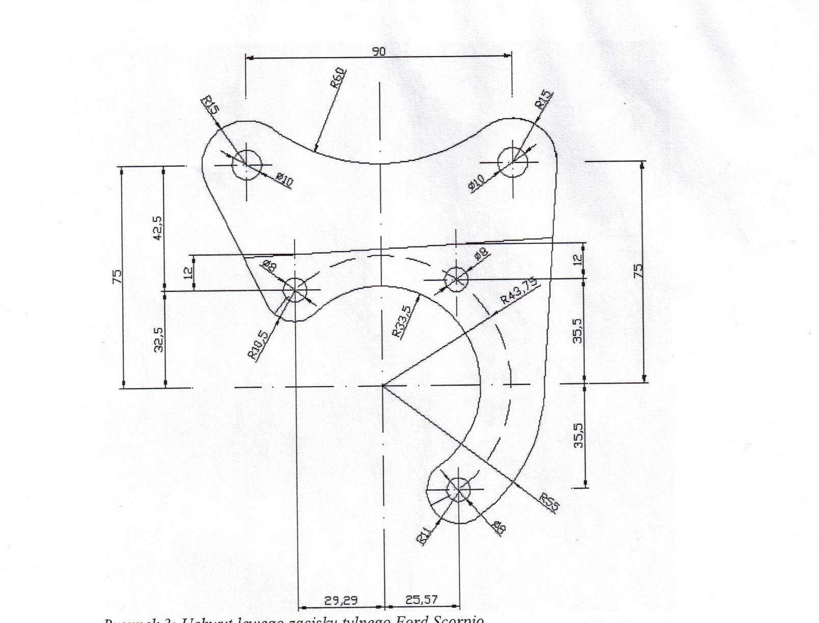
A rajz
A rajz
készen
készen
a helyén
a helyén
User avatar
Pudva
rengetegetirogatide
Posts: 2543
Joined: Mon Feb 28, 2005 4:59 pm
ClassicFord klubtag?: Igen
Location: Nyóc + a Tizenhárom
Contact:

Re: Ford Capri MKIII Versenygép

Post by Pudva »

FEFE wrote:Fényezés előkészítés vette kezdetét.
Oda lesz a szép fekete sárvédőm :lol:
'80 Ford Capri Mk III. V6 2.8
'94 Ford Escort Mk Vb 1.4 CLX
-= Az utcának az a színfoltja, kinek van egy FORD-ja =-
.: DayWalker :.
.: family rosso :.
User avatar
Süni
OfficialGréTCSiTanárúr
Posts: 2147
Joined: Fri Sep 23, 2005 12:36 pm
ClassicFord klubtag?: Igen
Location: Vál
Contact:

Re: Ford Capri MKIII Versenygép

Post by Süni »

Csak én nem látom a méretezett ábrán az eltolás mértékét? :roll:
User avatar
Bogyo28
Überführer
Posts: 5459
Joined: Sat Dec 04, 2004 9:11 pm
ClassicFord klubtag?: Igen
Location: Budapest-Budakalász
Contact:

Re: Ford Capri MKIII Versenygép

Post by Bogyo28 »

Süni wrote:Csak én nem látom a méretezett ábrán az eltolás mértékét? :roll:
nem, nincs ott, de nem is kell. ha megnézed azokat a képeket, amiket korábban linkeltem, azon olyan van, hogy megy egy darab a dogfék felfogató lemez helyére, a 4 csavart jó hosszúra cserélik, és hátulról csavarozzák rá (a difi közepe felöl) a hosszu csavarokra a kis fémdarabot, aminek a vastagsága határozza meg hogy hova kerül a féknyereg. A nagy előnye szerintem ennek a megoldásnak az, hogy csak vágni kell a cuccot, nem kell marógépen dolgozni.

és nem kell belőle külön jobb és bal oldali...
"...ha Detroit-nak végevan, a világnak végevan..."
"...akkor vedd meg ezt, vagy egy ilyet..."

...A Xikla...

1978 Ford Capri MKIII 2.9 V6 24V cosworth
1974 Ford Transit MKI 1.7 V4
User avatar
Tibi
rengetegetirogatide
Posts: 4408
Joined: Tue May 31, 2005 10:12 am
ClassicFord klubtag?: Igen
Location: Miskolc - Bp
Contact:

Re: Ford Capri MKIII Versenygép

Post by Tibi »

Natalie, nincs másik nézet erről a szerkezetről ?
1980 Capri MK3
Natalie Driver Gabe

Re: Ford Capri MKIII Versenygép

Post by Natalie Driver Gabe »

Tibi wrote:Natalie, nincs másik nézet erről a szerkezetről ?
Nincs sajna ennyi kép van csak. :-(
User avatar
Bogyo28
Überführer
Posts: 5459
Joined: Sat Dec 04, 2004 9:11 pm
ClassicFord klubtag?: Igen
Location: Budapest-Budakalász
Contact:

Re: Ford Capri MKIII Versenygép

Post by Bogyo28 »

Ma Tibi úrral kinyitottuk a NASA titkos laborját, és méréseket végeztünk sierra hátsó tárcsa vs capri híd ügyben. A tanulságok:

- sierra tárcsát használva, a Gabe által linkelt vas mélységi különbsége 5mm kell hogy legyen. az én általam linkelt megoldás szerint csak ki kell vágatni a Gabe féle rajzot egy kb 10mm-s lemezből, és hátulról felcsavarva kell a tartó konzol és a féknyereg közé 3mm távtartó. Valamelyik nap berajzolom a gépbe, és méretpontosan nyomtatok egyet belőle, hogy ki lehessen próbálni, hogy a magassága ennek a konzolnak jó e a sierra hátsó tárcsához.
- ami nagyobb baj az az, hogy ugyanúgy mint a sierra első féknél, a gyári lemez vagy vékony alu 13" kerék nem megy fel ezzel a fékkel. 7 col vagy a fölötti alu az jó, vagy 14" ill 15"-s felni használata. fényképek lentebb. Nem tudom nektek milyen a széles lemez felni, ha olyan egyenes a belseje mint amivel mi próbáltuk, abba bele fog érni a nyereg.
a tesztlabor...
a tesztlabor...
kompletten oldalról...
kompletten oldalról...
oldalról #2
oldalról #2
a 13" nem megy fel...
a 13" nem megy fel...
alulról látszik hogy beleér....
alulról látszik hogy beleér....
A 15" már elég nagy hozzá...
A 15" már elég nagy hozzá...
kilóg a síkból a nyereg...
kilóg a síkból a nyereg...
a felni meg majdnem tök egyenes...
a felni meg majdnem tök egyenes...

ha van kérdés ne kiméljetek....
"...ha Detroit-nak végevan, a világnak végevan..."
"...akkor vedd meg ezt, vagy egy ilyet..."

...A Xikla...

1978 Ford Capri MKIII 2.9 V6 24V cosworth
1974 Ford Transit MKI 1.7 V4
Natalie Driver Gabe

Re: Ford Capri MKIII Versenygép

Post by Natalie Driver Gabe »

Lehet rosszul látom de nem volna ezért jobb az escort tárcsa ??
Az mintha "mélyebbre" helyezné a nyerget.
S így csak egy kicsot kellne a konzolon alakítani.
S még mindig csak vágni heggeszteni kellene.
User avatar
Tibi
rengetegetirogatide
Posts: 4408
Joined: Tue May 31, 2005 10:12 am
ClassicFord klubtag?: Igen
Location: Miskolc - Bp
Contact:

Re: Ford Capri MKIII Versenygép

Post by Tibi »

Natalie Driver Gabe wrote:Lehet rosszul látom de nem volna ezért jobb az escort tárcsa ??
Az mintha "mélyebbre" helyezné a nyerget.
Ha minden igaz jól látod. Majd azt is felpróbáljuk.
1980 Capri MK3
User avatar
Tibi
rengetegetirogatide
Posts: 4408
Joined: Tue May 31, 2005 10:12 am
ClassicFord klubtag?: Igen
Location: Miskolc - Bp
Contact:

Re: Ford Capri MKIII Versenygép

Post by Tibi »

Az alátétek a dobféktartó lemez helyén 4mm vastagok összesen ha jól emlékszek, nem három mint az eredeti lemez.
1980 Capri MK3
Natalie Driver Gabe

Re: Ford Capri MKIII Versenygép

Post by Natalie Driver Gabe »

Tibi wrote:
Natalie Driver Gabe wrote:Lehet rosszul látom de nem volna ezért jobb az escort tárcsa ??
Az mintha "mélyebbre" helyezné a nyerget.
Ha minden igaz jól látod. Majd azt is felpróbáljuk.
Akkor jól sejtettem.
A papinál ezt a nyerget egy egyenes lemez tartja de ott 16"os felni van , tehát esély sincs hogy beleérjen.
Az a fék a kókusz gépérő jött.
Csak azt nem tudom hogy ő milyen görgőgön haladt hogy nem ért bele.
User avatar
White Shark
nagyonsokatirogat
Posts: 1028
Joined: Fri Feb 05, 2010 2:18 pm
ClassicFord klubtag?: Igen
Location: Székesfehérvár

Re: Ford Capri MKIII Versenygép

Post by White Shark »

Én is ugyanerre jöttem rá ,hasonló módon kísérleteztem ,de egy lépéssel előrébb járok,talán ahétvégére elkészül a konzol .
User avatar
szszaby
rengetegetirogatide
Posts: 4629
Joined: Tue Jun 28, 2005 2:37 pm
ClassicFord klubtag?: Igen
Location: Karcag

Re: Ford Capri MKIII Versenygép

Post by szszaby »

Infót ezért rakjál föl. Képeket is.
Ford Capri MkI Essex
User avatar
White Shark
nagyonsokatirogat
Posts: 1028
Joined: Fri Feb 05, 2010 2:18 pm
ClassicFord klubtag?: Igen
Location: Székesfehérvár

Re: Ford Capri MKIII Versenygép

Post by White Shark »

Még nem akarom elkiabálni azt ami nem biztos, de egy -két megállapítás már az ,pl csak az egyes felninek egyenes a belső felfekvő felülete ,a többi capri felni domború ,egy probléma megoldva ,az alufelnivel ahogy Bogyó is írta más a helyzet ,pl a pöttyös labda csont nélkül elfér semmibe nem ér bele ,sehol ,de az nekünk kicsi.
Post Reply